PH337 Electronics
Experiment #5
TRANSISTOR CHARACTERISTICS LAB
OBJECTIVES
Study how a transistor operates by:
- measuring the dc operating characteristics of a typical transistor, and,
- choosing the correct operating points (dc bias) and assembling a common
emitter amplifier.
DISCUSSION
In the DC part of the lab exercise, you will adjust several DC parameters for a typical
transistor and measure how the currents and voltages "interact". What you are to learn is how the transistor responds to
changes in the DC voltages and currents through the transistor "base and collector" circuits.
After doing this, you should have a better understanding of the characteristics curve for a transistor.
In the AC part of the lab, you will add an AC signal to the base signal curcuit as an input. Then you can observe and measure
the AC signal at the output to determine the gain of the circuit.
APPARATUS
- DC power supply with multiple outputs
- 2N2222 (npn) transistor
- microamp meter, milliammeter and DMM
- prototype board, capacitors and resistors
- function generator
PROCEDURE
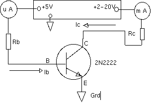
- Part I: DC Operation
- Connect your apparatus as shown in figure 1

- Dial in resistances for Rb and Rc such that
10 uA < Ib < 30 uA, and
1 mA < Ic < 10 mA
Note: You will also be able to vary Ic by varying the voltage of the power
supply from 2 to 20 volts.
What you will be doing with this set up is adjusting the base current, Ib,
to a low value, initially 10 uA, and then adjusting and measuring the change
in Ic as a function of Vce.
Let's go through this step by step:
- Start with Ib = 10 uA
- Then vary Ic by adjusting the power supply voltage Vcc. Measure Vce as
you do this and record your data.
- When you plot this data, you should get a curve that looks something
like the following:

Note that Ic initially increases, then becomes (almost) constant with
increasing Vce.
- Repeat the previous 2 steps with Ib=20 uA, and Ib=40 uA. (A few
data points will do fine; just find the flat part of each curve.)
- Calculate hfe from the equation:
hfe = Ic / Ib
(pick a constant value for Vce).
Note: hfe is called the forward current transfer ratio. Interpret
and explain what it means from the graph of your data. Wh is the base said to
control the amount of current through the collector circuit?
- Part II: AC Operation of the Transistor
- First you must establish the DC operating range for your circuit.
You can continue to use the variable resistor for
Rc, but use a variable potentiometer for Rb. Adjust Rc and Vcc so that
6 V < Vce < 10 V, and
3 mA < Ic < 10 mA
see the schematic in figure 3:

- Add 0.01 uF capacitors to your circuit as shown.
- Now turn on the function generator (using sine waves) and apply an
AC signal to the input capacitor. Use your oscilloscope to measure the input and
the output voltages.
- Adjust the potentiometer from one extreme position to the other
while observing the output. What happens? Why? Adjust the potentiometer
to give you the largest voltage gain. While in this position adjust
the input amplitude. Compare what happens now to the changes your observed
when Vin was "close to 5 V" or "close to ground".